Sub banner
Product Image
Product Image
Product Image
Product Image
Product Image
Thumbnail 0
Thumbnail 1
Thumbnail 2
Thumbnail 3
Thumbnail 4
  • Nominal Output: 10 kW at 3000 m / +50 °C
  • Output Voltage: 120 V / 208 V / 400 Hz or 240 V / 416 V / 400 Hz
  • Output Current: 3 x 28 A or 3 x 14 A
  • Start System: 24 V Electrical
  • Engine Type: D722 + Turbo
  • Engine Cylinders: 3
  • Fuel Supply: Connections for external supply
  • Frame / Mounting: Unit mounted on open frame
  • Cooling System: Integrated radiator and fans for cooling
  • Instrumentation & Electrical: Panel mounted on frame
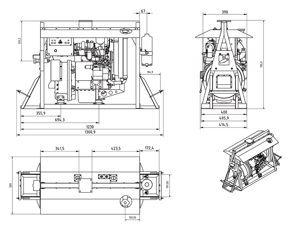
  • Approx. APU Weight (dry): 150 / 222 kg (dry)

Description

This Fischer Panda AGT 10000 Balloon Generator is a compact DC generator. This version is available with electrical winding to supply an output voltage of 120 V / 208 V / 400 Hz or 240 V / 416 V / with 400 Hz.

The generator supplies a stable supply of 10 kW at 3000 m / +50°C) power. The generator is driven by a three-cylinder diesel Kubota D722 engine. The generator unit is fitted with an internal diesel fuel tank integrated into the generator base. The fuel tank has a capacity of 70 liters of diesel fuel and is hung as a separate unit underneath the balloon.

The Fischer Panda AGT 10000 Balloon version generator is enclosed within a robust sound insulation housing which significantly reduces operating sounds. The dry weight of the Fischer Panda AGT 10000 Balloon is approximately 150 kg. This special version is design to be hung underneath a surveillance balloon and operated from a ground vehicle. It is available with or without sound insulation cover. It is is recommended to use the sound insulation capsule when operating generator over populated areas or whenever the tactical situation requires.

Easy assess to the components of generator is gained by unlocking the releases and removing the side panels.

The generator has an integrated electrical box mounted inside the housing which contains the operator's panel. This is the position for storage and transportation; before the balloon is deployed, it is removed and mounted in another location on the frame. (see photo of generator hung below balloon)

This generator also has an externally fitted fuel filter to ease operational maintenance.

The color of the generator can be matched according to the specifications of the customer's application requirements.

This particular model has the radiator vertically mounted inside the frame at the end of the unit .